夜晚9点,甘女士踏上房间的电子秤,随着数字稳定,一个温柔的语音提示响起:“您的体重是70公斤,体脂率25%,比上周下降0.5%。”她微微一笑,这已是使用唯创知音WT588F02KD-40N芯片方案的智能电子秤的第6个月,语音播报与LED显示的结合,让体重管理变得直观而高效。
在智能家居浪潮席卷下,曾经功能单一的家庭电子秤正经历一场技术蜕变。传统电子秤局限于基础称重功能,用户需弯腰查看微小数字,而开发工程师则困于复杂的多芯片协同设计。
当电子秤被赋予语音交互、状态提示、智能警报等功能时,用户体验与开发效率的矛盾却日益尖锐。唯创知音推出的WT588F02KD-40N芯片,正是在此背景下应运而生的破局者。
家庭健康管理意识觉醒,全球家用电子秤市场正以年复合增长率6.2% 的速度扩张。传统的电子秤功能单一,用户需要弯腰查看显示屏上的微小数字,在移动过程中容易造成读数困难。对老年用户或视力障碍群体尤其不友好。
当前主流电子秤的交互瓶颈十分明显:多数产品仅配备基础数码管显示和物理按键,无法提供语音反馈、状态提示或异常警报。当用户超重使用时,设备往往仅通过闪烁数字提示,极易被忽略,长期将导致传感器损坏。
在工程师开发端,痛点同样尖锐。为增加语音功能,传统方案需堆叠多颗芯片——MCU负责核心控制,外挂语音IC实现播报,数码管驱动芯片管理显示,触摸芯片处理按键扫描。这种拼凑式架构带来三大弊端:
● BOM成本飙升:每增加一颗芯片,物料成本上升2-4元,对价格敏感的消费电子行业难以承受;
● 开发周期延长:多芯片间通信协议调试耗时占项目周期的40%以上;
● 功耗控制困难:多芯片协同工作时待机电流可达300μA以上,严重缩短电池寿命。
市场亟需一种既能丰富用户体验,又能简化设计流程的革新方案。
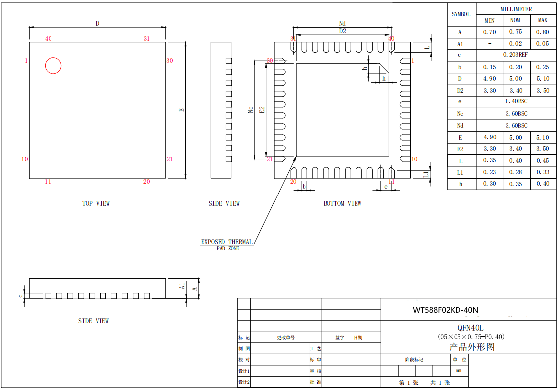
唯创知音推出的WT588F02KD-40N,首次在单芯片内实现“三合一功能集成”——语音播报、16 位数码管驱动、按键扫描融为一体。这颗采用 QFN40封装的芯片,尺寸仅 5mm x 5mm,却蕴含了重构电子秤设计的巨大能量。
从架构层面看,WT588F02KD-40N内置三大核心引擎:
● 16位DSP语音引擎:支持6K-32KHz采样率的 T3Z 音频解码,语音长度最大可支持240秒
● 智能显示驱动引擎:直接驱动 16 位数码管,支持8级亮度调节
● 增强型按键扫描:提供额外引脚按键扫描接口,集成抗干扰滤波算法
这种高度集成带来的直接优势是电子秤功能升级路径的根本性变革。工程师只需单颗芯片即可实现:
● 上电播报欢迎语
● 超重语音警示(“已超载,请立即下秤!”)
● 单位切换提示(“当前单位:克”)
● 低电量语音提醒
● 蓝牙配对引导语音
芯片的 220KB片内Flash存储 允许存储多达200条语音片段,通过唯创知音提供的专用下载器,工程师可随时更换语音内容,无需修改硬件设计。
对电子秤开发者而言,WT588F02KD-40N带来的最直观变革是设计效率的飞跃。传统方案中,工程师需要调试MCU与语音芯片的串行通信协议,协调数码管驱动时序,处理按键防抖算法——这些模块的联调通常耗费2-3周时间。
采用WT588F02KD-40N后,开发周期缩短60%以上。通过标准UART,主控MCU只需发送简单指令即可触发复杂功能。例如:
● 显示“0.5”公斤:发送指令 7E 0A B0 40 C0 C0 B5 D5 C9 8F 5C FE
● 播放语音片段:发送 7E 04 A0 XX XX FE(XX为语音地址)
● 下表为控制播放+数码管驱动 UART 指令表
指令作用 | 指令字节 | 参数 | |
指定地址播放,双字节 | A0 | 2 Bytes | |
暂停播放 | AA | None | |
停止播放 | AB | None | |
下一曲 | AC | None | |
上一曲 | AD | None | |
音量控制 | AE | 1Byte | |
指定播放模式 | AF | 2Bytes | |
连码 播放 | B0 | NByte | |
数码管地址自增模式 | FF 02 | B0 | NByte |
指定地址模式 | FF 02 | B1 | NByte |
单个 LED 设置 | FF 02 | B5 | 2Byte |
亮度设置 | FF 02 | B6 | 1Byte |
数字动态闪烁 | FF 02 | B7 | 2Byte |
图形动态显示设置 | FF 02 | B8 | 1Byte |
圆点动态显示模式 | FF 02 | B9 | 16Byte |
在成本控制方面,方案优势更加显著。对比传统多芯片方案与WT方案的BOM成本:
功能模块 | 传统方案 | WT方案 | 成本降幅 |
主控 | 8位MCU(¥2.5) | 16 位 DSP | 50% |
语音播报 | OTP语音IC(¥1.8) | 集成实现 | 100% |
数码管驱动 | TM1620(¥0.9) | 集成实现 | 100% |
按键扫描 | 扫描芯片(¥0.6) | 集成实现 | 100% |
合计 | ¥5.8 | ¥x.xx 元 | ¥x.xx 元 |
功耗优化是另一关键突破。芯片内置低电压检测功能,当电压低于配置的 LVR 时自动停止语音播放,结合多级休眠模式,使整机待机电流降至 10μA以下。这意味着使用3节AAA电池的电子秤,待机时间可延长至18个月,远超行业平均12个月水平。
随着WT588F02KD-40N在电子秤领域的成功应用,唯创知音正将技术优势扩展到更广阔的健康管理生态。芯片内置的256字节用户数据存储区(FLASH),可用于记录用户历史体重数据。
当与蓝牙模块配合时,电子秤可将测量数据通过语音播报的同时,同步上传至手机APP,实现“播报+云存储”双模式输出。这种设计已在唯创知音合作的头部客户产品中落地,用户满意度提升32%。
值得关注的是,该芯片的多功能架构同样适用于其他健康设备:
● 厨房秤:播报食材热量值
● 药房秤:语音提示药品剂量
● 婴儿秤:生长曲线分析播报
唯创知音通过持续迭代芯片功能固件,已形成针对电子秤领域的专用开发套件,包含参考设计原理图、在线语音合成平台+客户自己更换语音 USB 工具。这种“芯片+生态”的支持策略,正是其占据市场领先地位的核心壁垒。
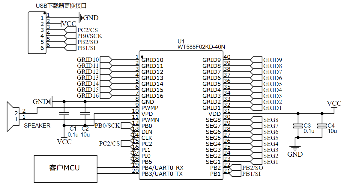
下图为WT588F02KD-40N 使用在电子秤中的共阴极数码管原理图 ,封装尺寸。


