AIOT在国内发展到现在已经有十几年之久了,市场反应从早期的“没用、多余”到现在的“语音控制真香”!当你满手是油的时候只需要对着抽油烟机说一声开机,避免了手上的油污沾染到抽油烟机上。这就是语音芯片控制改变我们的生活,下面给大家介绍AIOT流式传输端侧语音芯片WT2606A。

WT2606A语音芯片能做些什么?
1.连续多轮对话、端侧唤醒、端侧VAD
2.本地端侧识别即使是断网或网络环境不佳的情况下依然可以快速执行用户的指令。
3.1-3米范围99%的超高识别率,识别用户指令顺畅丝滑。
4.音频流式编解码,让响应速度变得更快!
5.支持第三方 WIFI/4g/5G/蓝牙通信方案对接,快速实现语音控制与语义理解。
6.私有云部署,可以定制训练唤醒词。
7.声纹识别在多人环境中让用户的指令有序不混乱。
8.支持OTA升级

WT2606A的使用场景
因为WT2606A是QFN的封装形式并且封装大小只有5m*5m,大概只有1/4指甲盖大小,即使是空间很紧凑的产品也可以搭载。他可以搭载在录音笔/学习笔/电子锁/扫地机/空调/抽油烟机/扫地机器人/电风扇/灯具/共享设备/充电桩/吹风机等等产品上!

WT2606A的产品特性介绍
MP3控制:标准UART通信接口,默认波特率9600,支持通过串口命令设置波特率;支持SPI-Flash、TF卡、U盘做为存储器。带有文件索引播放、插播、单曲循环、所有曲目循环、随机播放等功能。0~31级音量可调、最大可以支持外挂128Mbit的Flash,32G的TF卡和32G的U盘等(TF和U盘支持格式FAT或FAT32),支持FAT32格式U盘升级程序;
上电默认不播放;具备BUSY状态指示、BUSY平时为低电平,播放时为高电平;
支持语音高品质音频格式,支持MP3和WAV格式,(支持采样率8K-44.1K,码率8kbps~320kbps)声音优美;
工作电压:2.8V~4.2V;
两个16位异步分频器定时器;
24 bit高精度Audio ADC;24 bit高精度DAC;
IO驱动能力,可驱动8mA;
支持SD卡/U盘离线升级程序,建议画板时预留出USB接口;
通过USB接口连接电脑,电脑上显示Flash或TF卡盘符,直接从电脑拷贝音频到盘符,拷贝完成后,需拔掉USB线,再进行串口控制播放,否则串口发码无响应;
重点注意:语音芯片如果需要挂flash。建议使用“唯创”出的flash,其他厂商的flash,不能保证可以正常工作。(建议将150mil和208mil尺寸兼容扩展画上,更方便备货)。
WT2606A的管脚图

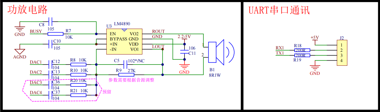
WT2606A的电路图



以上就是关于“AIOT流式传输端侧语音芯片WT2606A”的全部内容了,还有不懂的地方可以联系我们的客服领取芯片资料或者联系工程师和您聊方案。