小伙伴们,今天我们要聊一个特别有意思的话题--智能教具里的"小脑袋"!
• 还记得小时候用的那些单词卡片吗?一张张硬邮板,写满了英文单词,时间久了总会丢几张,想换新内容还得重新买一套。
• 而现在,随着教育数字化的发展,这些传统教具正在经历一场"智能革命”。这场革命的幕后功臣之一,就是我们今天要介绍的主角一-WT2606B驱屏芯片。

从"死板“到“灵动”,什么样的教具才算真正"智能”
在正式介绍WT2606B之前,我们不妨先想想:什么样的教具才算真正"智能"?是能显示内容就够了吗?显然不是。真正的智能教具,应该像一个随身携带的小老师——不仅能清晰地展示学习内容,还能根据学习进度随时更新题目,更重要的是,要能和学生"对话",让学习变得有来有回、生动有趣。
这就对教具的"大脑"提出了三个核心要求:第一,要能把屏幕驱动起来,让图文、动画清晰流畅地显示;第二,要能无线接收新内容,让教具常用常新;第三,要能响应触摸操作,实现真正的交互。而WT2606B恰恰把这三项能力集成到了一颗小小的芯片里,形成了"驱屏控制 + 蓝牙通信 + 触摸交互"三位一体的完整方案。

WT2606B的”三头六臂”:一颗芯片如何撑起整个教学场景?
说到这里,有同学可能要问了:一颗芯片怎么做到这么多事?让我们来仔细拆解一下WT2606B的核心本领。
1:首先是驱屏能力
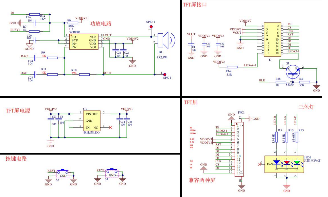
智能教具通常采用1.2到2.4英寸的小尺寸屏幕,既要保证便携,又要显示清晰。WT2606B支持多种主流小屏幕的驱动接口,可以直接对接屏幕驱动IC,不需要额外的转接电路。
它能处理JPG、PNG、BMP等常见图片格式,内置的智能缩放算法会自动适配屏幕比例,确保图文显示不变形。更重要的是,它支持最高30帧每秒的刷新率,这意味着什么呢?就像我们看动画片一样,画面切换流畅不卡顿,特别适合显示动态的答题反馈或教学动画。想象一下,当小朋友答对题目时,屏幕上蹦出一个小星星的动画,这种即时的视觉反馈会让学习变得更有成就感。

2:第二项本领是蓝牙通信
传统教具最大的痛点是什么?内容固定!一套单词卡买回来就是那些词,学完了要么重复用,要么买新的。而有了蓝牙功能,一切就不一样了。家长或老师可以通过手机APP随时给教具"投喂"新内容——今天学的是动物单词,明天可以换成水果;这周做加减法,下周升级到乘除法。
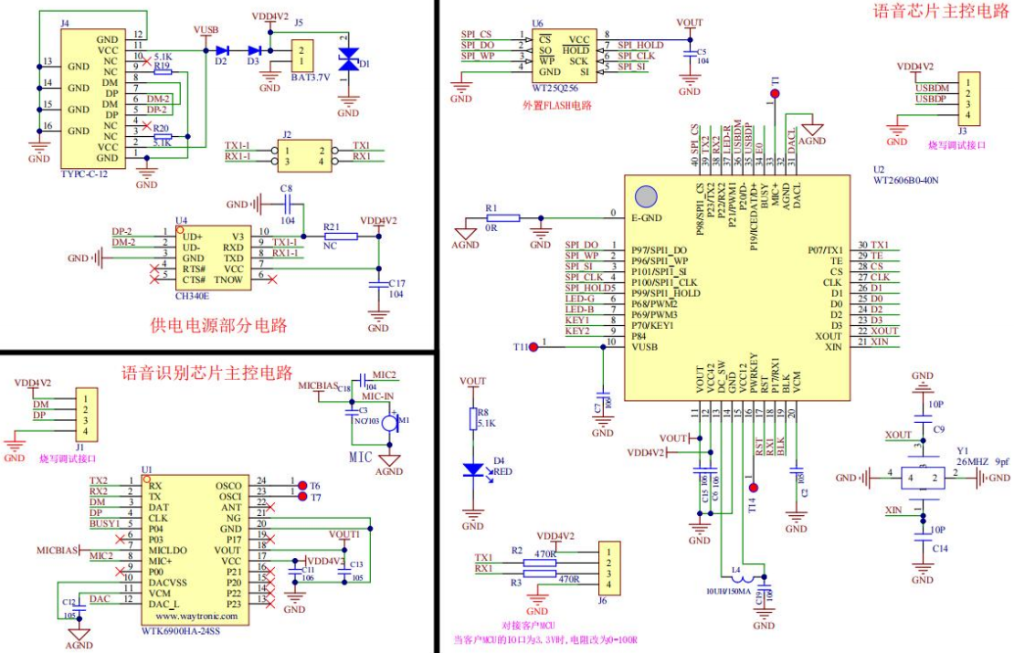
WT2606B内置的低功耗蓝牙模块,传输稳定且高效,能快速完成图片、单词、题目的更新,关键是待机功耗极低,不会因为开着蓝牙就把电量耗光,这对需要长时间使用的教具来说至关重要。


3:针对极端工况第三项本领是触摸交互支持
小小的屏幕上,如何让孩子准确地完成选择、翻页、发音等操作?WT2606B可以外接触摸IC,支持4到8个触摸区域的自定义。
比如在一道选择题的场景下,可以把屏幕划分成"选项A""选项B""选项C"和"提交答案"几个区域,孩子用手指轻轻一点,芯片就能精准识别是哪个区域被触摸了。响应速度快不说,还内置了抗干扰算法——要知道小朋友的操作可不像成年人那么精准,有时候会不小心碰到屏幕边缘,抗干扰设计就能有效避免这种误触发,确保每次操作都是真实意图的反映。

除了这三大核心能力,WT2606B在功耗和供电方面也做了精心设计。它的超低休眠电流可以让教具在满电状态下待机数十天,而宽电压供电设计既兼容锂电池也支持干电池方案,还能通过Micro-USB接口随时充电。这样一来,无论是在教室上课、在家自习,还是户外探究学习,都不用担心设备没电的尴尬。
从”单向输出”到”双向对话”:智能焦距如何改变学习体验?
有了这些硬件能力,WT2606B能为智能教具带来什么样的实际应用呢?让我们通过两个典型场景来感受一下:
一,内容无线更新。想象一下,周日晚上,妈妈在手机APP里从资源库选择了本周要学的20个新单词,配上对应的图片和发音,点击"同步到教具"按钮。这时,手机通过蓝牙把数据传给教具,WT2606B接收数据后进行校验和解码,存储到外接的Flash存储器中,然后驱动屏幕显示出"内容更新成功"的提示。整个过程不到一分钟。
第二天早上,孩子打开教具,屏幕上已经是全新的学习内容了。这种"一机多用、内容常新"的特性,彻底打破了传统教具的固定限制。老师可以根据教学进度动态更新题目,家长可以根据孩子的学习水平定制专属内容,甚至可以支持多学科、多主题的灵活切换——今天是语文课的生字,明天就能变成数学课的应用题。

二,触摸交互学习。课堂上,老师在讲完一个知识点后,让学生们拿出智能教具做随堂练习。屏幕上显示一道选择题,下方是A、B、C三个选项区域。学生思考后,用手指点击了B选项,屏幕立即给出反馈——如果答对了,B选项区域会亮起绿色,配合一个小笑脸动画;如果答错了,则显示红色,同时正确答案会高亮显示,下方还会弹出简短的解析。这种即时反馈让学习变得像玩游戏一样有趣,而且每次答题记录都会被保存下来,方便老师或家长了解学习情况。

除了答题,触摸交互还能实现更多功能。比如在学习英语单词时,左右滑动可以翻页切换不同单词,点击单词卡片可以触发发音(需搭配音频模块),长按还能设置朗读速度或循环播放模式。在不同的使用环境下,孩子可以通过触摸条调节屏幕亮度——教室里光线充足就调低一点省电,户外阳光强烈就调到最亮确保看清内容。这些细节设计让教具的使用体验变得更加人性化和智能化。
那么这个时候可能又有同学要举手了:触摸操作会不会很容易误触?这确实是小屏幕设备的一个挑战。
WT2606B的解决方案是为重要操作配备视觉反馈和文字提示。比如触摸某个区域后,该区域会高亮或出现动画效果,强化操作感知;提交答案这类关键操作会弹出"确认提交?"的提示,避免误操作。这种设计既照顾了儿童用户的操作习惯,也提升了整体的交互体验。
小装置里的大课堂:从硬件到教学价值的完整闭环
说完了技术能力,我们再来看看WT2606B驱动的智能教具在实际教学场景中能发挥怎样的价值——
在课堂互动答题环节,传统的纸质答题卡效率低,统计结果还很麻烦。而使用智能教具,学生可以实时触摸答题,系统自动记录对错情况,老师通过配套平台就能看到全班的答题数据,哪些知识点掌握得好、哪些需要重点讲解,一目了然。这种即时反馈不仅提高了课堂效率,也让教学评估变得更加数据化和精准。

在家庭自主学习场景,智能教具的优势更加明显。家长不再需要购买大量练习册,也不用担心孩子做完了题目就没内容可练。通过APP更新功能,可以随时同步学校的教学进度,甚至根据孩子的薄弱环节推送针对性练习。而且因为设备轻便易携带,孩子可以随时随地学习——在车上、在公园里,甚至在等待的间隙,都能拿出来巩固知识。

对于英语单词学习这个传统难点,智能教具也提供了全新的解决思路。传统单词卡容易丢失,发音还要依赖点读笔或手机等外部设备。而基于WT2606B的智能教具实现了图文音的完美结合——屏幕上显示单词和配图,点击触发标准发音,还支持分组记忆和循环复习功能。这种多感官刺激的学习方式,已被证明能显著提高记忆效果。

更有趣的是户外探究学习场景。传统做法是带着厚重的图书或平板电脑,但前者携带不便,后者在强光下屏幕看不清且耗电快。WT2606B驱动的教具则完美解决了这些问题:设备轻便小巧,可以轻松放进口袋;支持亮度调节,阳光下也能清晰显示;低功耗设计确保续航时间足够长。这样一来,无论是去博物馆、植物园还是科技馆,孩子都能随时查阅学习资料,让每一次外出都变成知识探索之旅。
技术赋能,让学习回顾本质
从静态的纸质教具到可交互、可更新的智能设备,WT2606B代表的不仅是一次技术升级,更是教育理念的一次革新。它通过高度集成的驱屏、蓝牙与触摸交互能力,为智能教育教具提供了"轻量、互动、可更新"的完整解决方案,让学习过程变得更主动、更有趣、更高效。

当孩子们不再被动地接受固定内容,而是可以根据自己的节奏选择、互动、探索时,学习本身就变成了一件充满乐趣的事情。而这,正是WT2606B和智能教具想要达成的目标——用技术的力量,让教育回归激发好奇心和求知欲的本质。
这就是WT2606B芯片的魅力所在,一颗小小的芯片,撑起了智能教具的完整生态,为教育数字化、个性化发展注入了新的技术活力。未来,随着更多创新应用的出现,我们有理由相信,智能教具将成为每个学生手中不可或缺的"互动学习新平台"。